A Baader Hyperion okulárok egyik legnagyobb előnye, hogy egyetlen darabbal több különböző fókuszt is kiválthatunk.
A moduláris rendszer működése
A Hyperion okulárok 5–21 mm közötti tagjainak fókusza fókuszállító gyűrűk (közgyűrűk) segítségével módosítható (a 24 mm-es modellé ellenben nem).
Kétféle közgyűrű használható:
- 14 mm
- 28 mm
Ezek külön-külön vagy kombinálva is alkalmazhatók, így egyetlen okulár többféle fókuszt is „kiválthat”.
A gyakorlatban ez olyan, mintha négy okulárunk lenne, miközben:
- kevesebb felszerelést kell magunkkal vinni
- költséghatékonyabb megoldást kapunk
Az okulár tubusa és a hátsó (fókusznyújtó) lencsetag M48-as szűrőmenettel kapcsolódik egymáshoz. A közgyűrűt (Baader Hyperion fókuszállító gyűrűt) e két elem közé kell helyezni – ez biztosítja a rendszer modularitását.
Szűrők, mint „rejtett közgyűrűk”
A rendszer további előnye, hogy 2”-os Baader szűrők is használhatók, amelyek kb. 6 mm-es közgyűrűként viselkednek.
Ez azt jelenti, hogy:
- nemcsak szűrőt használunk,
- hanem finoman módosítjuk a fókuszt is.
Mire figyelj használat közben?
Barlow-lencse használata
Mivel az okulár eleve tartalmaz fókusznyújtó tagot, további Barlow-lencse alkalmazása általában nem ajánlott. Ez ronthatja a képminőséget.
A fókuszállító gyűrűk maximális hossza
Kb. 50 mm teljes hosszúságig nem tapasztalható jelentős képminőség-romlás, de ennél többet nem érdemes használni.
Nem lineáris változás
A fókuszállító gyűrűk növelésével a fókusz nem egyenes arányban csökken – ezt érdemes figyelembe venni a tervezésnél.
Nehogy megsértsd, a zenittükrödet
A fókuszállító gyűrűk összetekerésével az okulár tubusa megnőhet annyira, hogy a Barlow-tag hozzáérjen a 2" méretű zenittükör felületéhez, de parfokalizáló gyűrűvel ezt megakadályozhatjuk. Szintén megoldást jelent, ha 2"-1.25" szűkítőbe helyezzük az okulárt.
Gyakorlati példa
Távcső: 200/1000 Skywatcher Newton
Okulár: 10 mm Baader Hyperion
Elérhető nagyítások:
- 100× (alap)
- 110× (szűrővel)
- 119× (14 mm gyűrű)
- 141× (28 mm gyűrű)
- 164× (14 + 28 mm kombinálva)
Egyetlen okulárral öt különböző nagyítás.
Második okulárként egy 17 mm-es modell ideális választás lehet, amellyel kb. 59×–109× tartomány fedhető le.
Hogyan válassz okulárt?
Egy jól összeállított Hyperion szett esetén akár 2 okulárral lefedhető a legtöbb hasznos nagyítás.
A kiválasztásnál három fő korlátot érdemes figyelembe venni:
1. A távcső maximális nagyítása
Elméletben a távcső átmérőjének kétszerese.
2. A légkör állapota
A hazai légköri viszonyok miatt ritkán használható ki teljesen a 250× feletti tartomány.
3. Kilépő pupilla
A kilépő pupilla az okulárból kilépő fénykúp átmérője:
képlet:
átmérő / nagyítás
Ha ez nagyobb, mint a szem pupillája (általában 6 mm alatt), a távcső fénygyűjtő képessége nem használható ki teljesen.
Használati tartomány
Érdemes úgy választani, hogy:
- legyen alacsony nagyítás (nagy látómezőhöz)
- legyen közepes (általános megfigyeléshez)
- és magas nagyítás (részletekhez, pl. bolygók, Hold)
Kompatibilitás és bővíthetőség
- Az okulárok 1,25” és 2”-os kihuzatban is használhatók
- A szemkagyló eltávolítása után M43 menet áll rendelkezésre
- adapterrel kamerák csatlakoztathatók
- projekciós fotózás is megvalósítható
A 24, 31 és 36 mm-es modellek sajátosságai
- A 24 mm-es modell fókusza nem módosítható
- A 31 és 36 mm-es okulárok:
- alapvetően 2”-os kivitelűek
- fókuszuk nem változtatható
- 1,25”-os adapterrel is használhatók, de ilyenkor a látómező csökken. A 31 mm modellnél 72°-ról 55°-ra, a 36 mm esetében 50°-ra.
Szeretnél segítséget a választáshoz?
Egy egyszerű számítással gyorsan meghatározható az ideális kombináció.
Add meg távcsöved:
- átmérőjét
- fókuszát
és segítünk kiválasztani azt a 2 Hyperion okulárt, amellyel a legtöbbet hozhatod ki a rendszeredből.
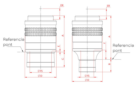
A következő táblázatból kiolvasható az okulárok eredeti fókusza és a módosított fókuszok, a pupilla távolságuk, és az okulárok méretei, valamint a tömegük.
| Közgyűrű nélküli fókusz (mm) | 6 mm szűrővel | 14 mm gyűrűvel | 28 mm gyűrűvel | 42 mm gyűrűvel | Pupilla-távolság | A | B | C | D | E | F | Tömeg (g) |
| 5 | 4,3 | 4 | 3,2 | 2,6 | 20 | 81,2 | 24,0 | 47,5 | 58,0 | 23,5 | - | 401 |
| 8 | 6,9 | 6 | 5 | 4,3 | 20 | 67,8 | 24,0 | 47,5 | 58,0 | 23,5 | - | 370 |
| 10 | 9,1 | 8,4 | 7,1 | 6,1 | 22 | 62,1 | 24,0 | 50,9 | 58,0 | 26,9 | - | 391 |
| 13 | 11,7 | 10,8 | 9,2 | 8,1 | 20 | 62,1 | 24,0 | 47,5 | 58,0 | 23,5 | - | 387 |
| 17 | 14,6 | 13,1 | 10,8 | 9,2 | 20 | 58,8 | 28,0 | 51,5 | 58,0 | 23,5 | - | 385 |
| 21 | 18,5 | 17,6 | 15,5 | 14 | 20 | 56,0 | 27,0 | 49,3 | 58,0 | 22,3 | - | 393 |
| 24 | - | - | - | - | 17 | 52,9 | 24,0 | 42,9 | 58,0 | 20,0 | - | 311 |
| 31 | - | 17 | 76,7 | - | 27,5 | 59,5 | - | - | 356 | |||
| 36 | - | 19 | 84,7 | - | 27,5 | 59,5 | - | - | 373 | |||
| 1.25" adapterrel | ||||||||||||
| 31 | - | 17 | 92,2 | 23,9 | - | 59,5 | - | 15,5 | 365 | |||
| 36 | - | 19 | 100,2 | 23,9 | - | 59,5 | - | 15,5 | 382 | |||


Összegzés
A Hyperion okulárok moduláris rendszere lehetővé teszi, hogy:
- kevesebb okulárral dolgozz
- rugalmasan változtasd a nagyítást
- és költséghatékonyabban építs rendszert
Ez különösen hasznos kezdőknek és haladóknak egyaránt.
Hyperion okulárok és kiegészítők egy helyen:
